Профиль FOLED-CEIL-SIDE-3000 (Arlight, Алюминий) 044856 в Саратове
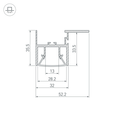
Встраиваемый алюминиевый профиль (боковая линия - монтаж к потолку) для дизайнерских решений «линии света» в натяжных потолках. Решение 2-в-1: служит каркасом для крепления натяжного потолка и профилем для установки светодиодной ленты. Габаритные размеры профиля составляют 3000 мм в длину, 52,2 мм в ширину и 35,5 мм в высоту. Площадка для установки светодиодных лент позволяет использовать ленту шириной до 13 мм и мощностью до 43 Вт/м. Это обеспечивает гибкость в выборе светодиодных лент и создает потрясающие световые решения. Экран, заглушки и другие аксессуары не включены в комплект и приобретаются отдельно. Цена указана за 1 метр профиля. Отличное решение для создания современных световых проектов.
Алюминиевый профиль для натяжных потолков (боковая линия - монтаж к потолку). Решение 2-в-1 - каркас для крепления натяжного потолка и профиль для установки светодиодной ленты. Для дизайнерских решений «линии света» в натяжных потолках. Монтируется к потолку, накладной способ. Натяжной потолок крепится к профилю с одной стороны. Габаритные размеры (L×W×H): 3000x52,2x35,5 мм. Ширина площадки для ленты 13 мм. Экраны, заглушки и другие аксессуары приобретаются отдельно. Цена за 1 метр.
044856 Arlight Профиль Встраиваемый со скрытым фланцем - Серебристый в Саратове
Вы можете заказать Профиль Arlight с доставкой или самовывозом в Саратове
просто достаточно позвонить менеджеру и сообщить артикул товара: 044856 или оформить заказ на сайте Arlight Shop Саратов
Характеристики
|
Объем м3
|
0.005616 |
|
Гарантия м.
|
24 |
|
Материал корпуса
|
Алюминий |
|
Способ монтажа
|
Встраиваемый со скрытым фланцем |
|
Назначение
|
Для натяжных потолков |
|
Форма (сечение)
|
- |
|
Цвет покрытия
|
Серебристый |
|
Тип товара
|
Профиль |
|
Гарантийный срок
|
2 год(а) |
|
Модельный ряд
|
FOLED |
|
Совместимый тип полотна
|
ПВХ плёнка |
|
Система фиксации полотна
|
Гарпунная |
|
КПД профиля (cветовой)
|
79 % |
|
Рассеиваемая тепловая мощность на 1м
|
max: 43 W |
|
Ширина световой линии
|
26.9 мм |
|
Внешний вид поверхности
|
Глянцевая |
|
Покрытие поверхности
|
Без покрытия |
|
Длина
|
3000 мм |
|
Ширина
|
52.2 мм |
|
Высота
|
35.5 мм |
|
Ширина площадки
|
13.2 мм |
|
Глубина установки источника света
|
18 мм |
|
Кратность цены за 1 м/шт
|
1 |
|
Мощность (прайс)
|
43 Вт |




